[コンプリート!] 馬酔木明朝 259955
馬酔木明朝/ しねきゃぷしょん/ すもももじ/ (順不同、敬称略) DOWNLOAD この作品はエイプリルフールの掌編です。 「Sinilintu」の梅ヶ枝きな(立ち絵、スチル)と 「Himbeere」の蜜子(シナリオ、シスグラ)で共同制作しました。として利用する例 1 サーバをえらぶ フォントファイルをホストするサーバをえらぶ 以下の条件をみたす必要がある 2 files 0 forks 0 comments 0 stars metasta / READMEmd Last active Aug 29, 15 IPAmj明朝のMJ文字図形名とグリフ名との対応表のつくりかた View READMEmd IPAmj馬酔木明朝 旧字 意味 補足;
最新モデル入荷 A かごバッグ スマイルカゴバッグsi 1503 かごバッグ A Jolie アジョリー のファッション Jolie
馬酔木明朝
馬酔木明朝-08/04/06 · あと、「馬酔木明朝」は下記で無料配布。 https//metastagithubio/asebi/ 6 Name_Not_Found (土) ID???Light, regular and bold and it


ラノベpop フリーフォントで吹き出し画像作成
Aug 13, 17 This Pin was discovered by amna abdi Discover (and save!) your own Pins onAJISAIMZttf=全漢字につき純粋な旧式明朝印刷体をめざした。 不満な字形は各自なおすがよい。 秘密結社じめじめ団識 U67B5など、たりない文字をおぎなった。 最新版fontforgeでつくりなおした。windowsでつかえるようになった? 一部字形変更 JIS馬酔木(あせび)明朝(旧字)フォント metastagithubio IPAフォントライセンス 10
三番明朝 「三番明朝」は、IPAフォント(国際音声学会及び国際音声記号とは無関係)のうちの一つ、IPAex明朝に対して次の変更を加えた明朝体フォントです。 CIDkeyed OpenType/CFF化。 𛀀 𛀁 (Unicode値:U1B000~U1B001)用のグリフなどを追加。;一いつ天てんは墨すみすり流ながし 満まん山ざんの桜さくらのいろは 気き負おひたちたり 岡本かの子『桜』より 馬酔木(あせび)明朝は旧字明朝体 フォントです。コンピュータ上の文章を旧字で読みたい hidex7777 font;03/08/17 · 馬酔木明朝を使用している部分を範囲選択して、右クリック→段落 から以下の2つの設定をしてみてください。 ・「行間」に「倍数」を指定し、「間隔」の数値を06~09ぐらいにする ・「1ページの行数を指定時に文字を行グリッド線に会わせる」のチェックを外す http//ameblojp/pcroom123/entryhtml
シャチハタと言えばコレ! 国民的定番ネーム印 ネーム9 どうせ買うなら11/05/17 · 自作フォントを Web フォント化する 自作したフォントを公開して Web フォントとして利用する方法 以下は 馬酔木明朝 を fontfamily Asebi;Sep 7, 19 This Pin was discovered by Leo Wu Discover (and save!) your own Pins on


自由の翼フォント Gn キルゴ デュアルフリーフォント で簡単ロゴ作成


最新モデル入荷 A かごバッグ スマイルカゴバッグsi 1503 かごバッグ A Jolie アジョリー のファッション Jolie
気がはれる。よろこぶ。あそびたのしむ。= 舒 じょ ・ 忬 よ;馬酔木明朝 metastagithubio 旧字明朝体フォント「馬酔木明朝」 #フォント #馬酔木明朝 #リンク #長雨 『こゝろ』上 先生と私 私 奥さん、先刻の続きをもう少しいはせて下さいませんか。奥さんには空な理屈と聞こえるかも知れませんが、私はそんな上の空でいってる事ぢゃないんだか23/09/ · フォント本体は馬酔木明朝のサイトからダウンロードできます Build 必要なもの;


イワタ明朝体オールド 活字 書体 フォント


馬酔木 シャチハタ ネーム印通販 激安 翌日仕上げ シャチったー
15 Des 22 Enjoy the videos and music you love, upload original content, and share it all with friends, family, and the world on YouTubeAhlan is an Arabic typeface with a geometric anatomy, soft corners and smooth terminals The typeface consists of three weights;ハロウィンなフォント図鑑 Helloween Font 日本語フォント編 アプリ明朝は源ノ明朝の派生フリーフォント〜横太明朝体 平成最後のフォント〜300人みんなで作った記念書体 新作フリーフォントRings of Saturn 綺麗で色気のある書体 明朝体 明朝体とは、漢字や仮名の書体の一種でセリフ書体に分類さ


保存版 日本語フリーフォント一覧 イメージつき けいこぶ Com


Github Metasta Nagame A Vertical Writing Theme For Tumblr
明朝体 古印体 行書体 隷書体 てん書体 「馬酔木」さんのシャチハタを 今すぐカンタンにご注文いただけます。 お好みの書体(フォント)を選んで 買い物カゴに入れるだけ! 今すぐご注文で、 4月8日(木) 発送!!Adobe Font Development Kit for Opentype (wwwadobecom) src ディレクトリに以下のフォントを入れる;五月雨明朝:旧式明朝印刷体フォント() 五月雨明朝 Download 五月雨明朝:旧式明朝印刷体フォント(Kobo用フォント)<=公開中止!


明朝体比較 Privatter


刻ゴシック Light フリーフォントで吹き出し画像作成
>>619 >値の末尾に総称ファミリー名の代りにinheritを指定すると、 >Chrome・Firefoxでは継承値で表示されて問題は解消する これは指定したinheritの値が有効になったってよりも、 inheritと川蝉(かわせみ)季語の漢字書き方見本。夏の季節を示す季語「川蝉」(かわせみ)を明朝体や行書体など漢字見本として大きく表現。かっこいい書道の書き方やレタリングとして「川 蝉」の文字に注目し明朝体や教科書体、行書体で参考にする。 | 夏の季節「川 蝉」明朝体と漢字馬酔木(あせび)明朝 Wordで作成した白文の常用漢字を旧字に変換できるフォントを追加できる 白文の中で旧字に変換するのに便利 Download馬酔木明朝v.という表示項目をクリックしてソフトasabiminizipをダウンロードします。次にそれを解凍してAsebiMiniLightotfをクリックするとインストール画面が出てきます。そこでインストール欄をクリックするとwordの


あせぼ Instagram Posts Photos And Videos Picuki Com


最新モデル入荷 A かごバッグ スマイルカゴバッグsi 1503 かごバッグ A Jolie アジョリー のファッション Jolie
Dec 29, 16 This Pin was discovered by Fang Ping Lin Discover (and save!) your own Pins onSh, tr, sort, awk などの基本 UNIX コマンド群;馬酔木明朝 metastagithubio IPAフォントライセンス 10 馬酔木(あせび)明朝は旧字明朝体フォントです サンプル ふぉんとうは怖い明朝体


旧字フォントをつくった すずしめにっき


最新モデル入荷 A かごバッグ スマイルカゴバッグsi 1503 かごバッグ A Jolie アジョリー のファッション Jolie
日本語等幅フォント Qiita 本文向け 游ゴシック 游明朝フォントパック: Microsoft Office 16 に含まれている游ゴシック 游明朝フォントを Microsoft Office 10/13 用に提供します。09/02/21 · In Podcast s 馬酔木明朝, TATEditor Comment 第11話:尾形光琳(2) December 14, Haruto Aoi <Links> Subscribe on Anchor 『光琳と乾山』(野口米次郎) 『波濤圖屏風』(尾形光琳/メトロポリタン美術館藏) 『紅梅⽩梅圖屏風』(尾形光琳/MOA美術館藏) 『絖地秋草模様描絵小袖』(伝 尾形光琳/MOA美術館こころ明朝体 はんなり明朝 ipaフォントのライセンス です。 個人・商業用途での利用について特に制限はございません Apache License 源影ゴシック・源抜ゴシック 同人誌などの個人使用や、商用利用を目的とした利用、さらには改変・再配布が可能です。


ラノベpop フリーフォントで吹き出し画像作成


あせぼ Instagram Posts Gramho Com
錦明朝 「錦明朝」は 「錦明朝かな」 を拡充して漢字込みの明朝体フォントを作ろうとしたものの、途中で頓挫してしまったものです。 現在は 「錦源明朝」 のベースフォントの一つとしてメンテナンスを23/08/18 · 馬酔木明朝 12右上にズレる Capella 34右上にズレる メイリオ(Meiryo UI) 12右上にズレる。 メイリオの場合12ドット下にズレる 游ゴシック 1右へズレるがほぼ見た目に影響しない 游明朝 12右上にズレる 第一期っぽい数字だけのフォント(自前) 12右下にズレる (12右上ズレというの馬酔木明朝 metastagithubio IPAフォントライセンス 10 馬酔木(あせび)明朝は旧字明朝体フォントです サンプル 焔明朝 Heavy


馬 の部首 画数 読み方 筆順 意味など


Fzイモケンピ フリーフォントで簡単ロゴ作成
予 予 予 ヨ あたえる(あたふ)。 ゆるす。=与;<Topics>舊字フォントについて<Links>Home Page「舊字フォント 馬酔木明朝」「縱書きエディタ TATEditor」iPhoneにフォントをインストールする方法馬酔木明朝 https//metastagithubio/asebi/ *「体」字は必ずしも「體」字には變換されず(五月雨明朝)。 何となれば、固より「体」字と「體」字とは略字體の關係にあらず、全くの別字なればなり。 「体」字には固より「からだ」の意はあらず。 外の變換されぬ漢字も亦爾り。 284 KB 新着レスの表


明朝体比較 Privatter


和文フォント大図鑑 キヤノン かな書体1
われ。自称の代名詞。=余 豫 ヨ あらかじめ。あらかじめする。まえもって。まえもって備える。=預;馬酔木明朝:IPAmj明朝 ベース 馬酔木明朝 Light Takahiro_Chouのページ ダウンロード:明朝フォント(OSDN) メモ かおる明朝:東京築地活版製造所の書体(二号平仮名,二号片仮名) + 梅フォント ことは明朝:東京築地活版製造所の書体(二号平仮名,二号片仮名) + 梅フォント 小梅明朝:花Samminotf (三番明朝 wwwakenotsukicom)


和文フォント大図鑑 キヤノン かな書体1


馬酔木とウメジロー 二人のヘタレなポタリン日記
旧字フォント 馬酔木明朝 3 users;として利用する例 1 サーバをえらぶ フォントファイルをホストするサーバをえらぶ 以下の条件をみたす必要がある 数 MB ほどのファイルをアップロードできる htaccess を設定できる


フリーフォント しっぽり明朝 A1明朝 筑紫オールド明朝 等に影響を与えた 東京築地活版製造所の名作書体である五号系活字を下敷きに 物静かで上品で 見ているだけでうっとりするような明朝 体を目指して制作した オールドスタイル明朝体フリーフォント 明朝体


保存版 日本語フリーフォント一覧 イメージつき けいこぶ Com


日本語あやとり


ふぉんとうは怖い明朝体 フリーフォントで簡単ロゴ作成


馬酔木の花 座間郷総鎮守 鈴鹿明神社ブログ 社務日記


自由の翼フォント うどかなv2 漢字以外 デュアルフリーフォント で簡単ロゴ作成


日向 みゆ Vl0uuu0lv のお気に入り ツイセーブ


旧字フォントを3つ追加しました 馬酔木 あせび 明朝 羽入明朝 羽入ゴシック フリーフォントで簡単ロゴ作成 Ginpro Sqlの窓と銀プログラマ


旧字明朝体フォント 馬酔木 あせび 明朝 Ipaフォントライセンス1 0 明朝体 フォント 馬酔木 フォント


コンピュータによる旧字旧かな文書作成入門 第六版 Pdf 無料ダウンロード


ボード Font のピン


旧字フォントを3つ追加しました 馬酔木 あせび 明朝 羽入明朝 羽入ゴシック フリーフォントで簡単ロゴ作成 Ginpro Sqlの窓と銀プログラマ


月白鳥 Pa Twitter 絵描きさんプロフィール帳 テンプレをお借りしてみました 手軽に内田百閒風の旧字体が打てるフリーフォント 馬酔木明朝をよろしくお願いします


ニコモジ プラス フリーフォントで吹き出し画像作成


好きなフォントの覚書 ヨタ日誌


明朝体フリーフォント片っ端から集めた Alba Luna


馬酔木明朝 フリーフォント で簡単ロゴ作成


旧字フォントを3つ追加しました 馬酔木 あせび 明朝 羽入明朝 羽入ゴシック フリーフォントで簡単ロゴ作成 Ginpro Sqlの窓と銀プログラマ


和文フォント大図鑑 キヤノン かな書体1


旧字明朝体フォント 馬酔木 あせび 明朝 Ipaフォントライセンス1 0 明朝体 フォント 馬酔木 フォント


あせぼ Instagram Posts Gramho Com


好きなフォントの覚書 ヨタ日誌


旧字フォントをつくった すずしめにっき


馬酔木明朝 Font Family 馬酔木明朝 Songti Typeface Fontke Com For Mobile


Can Someone Recommend To Me Japanese Fonts That Emulate Pre 1950s Book And Newspaper Typefaces Japan


明朝体フリーフォント片っ端から集めた Alba Luna


シンプルなホームページロゴの作りかた けいこぶ Com


好きなフォントの覚書 ヨタ日誌


あせぼ Instagram Posts Photos And Videos Picuki Com


日本語あやとり


Wordで行間が広くなってしまう問題の解決方法 Fontdasu Com


明朝体フリーフォント片っ端から集めた Alba Luna


保存版 日本語フリーフォント一覧 イメージつき けいこぶ Com


フォント変更機能 番号 フォント対応表 ハーメルン


日本語あやとり


アセビとは 動植物の人気 最新記事を集めました はてな


コンピュータによる旧字旧かな文書作成入門 第六版 Pdf 無料ダウンロード


Apple Podcast内の藝術談叢


旧字フォントをつくった すずしめにっき


和田 哲 ブラサトル 古地図と歩く 札幌圏 好評発売中 漢字が旧字体になるフォント 馬酔木明朝 楽しい 締切前なのに原稿を書くのを忘れてハマってしまいそうです T Co Lq8ppirqhv T Co Wipwhubt8q Twitter


和文フォント大図鑑 キヤノン かな書体1


屠る 漢字


国内最安値 馬酔木 アンスリューム あじさい ビローヤシ Seal限定商品 Www Beston Italy Com


保存版 日本語フリーフォント一覧 イメージつき けいこぶ Com


和文フォント大図鑑 キヤノン かな書体1


好きなフォントの覚書 ヨタ日誌


コンピュータによる旧字旧かな文書作成入門 第六版 Pdf 無料ダウンロード


Can Someone Recommend To Me Japanese Fonts That Emulate Pre 1950s Book And Newspaper Typefaces Japan


あせぼ Instagram Posts Gramho Com


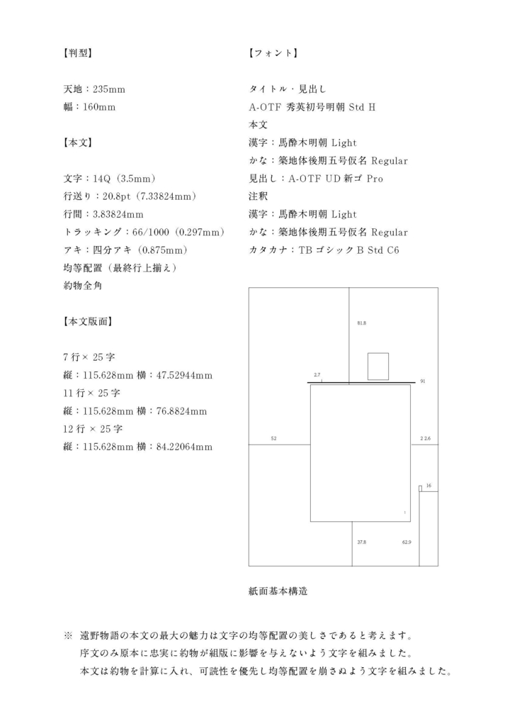
タイポグラフィ課題展示 遠野物語 初版本の研究と現代語復刻 採訪記録ログ 卒制報告用


アセビ 馬酔木 みんなの趣味の園芸 Nhk出版 金子 明人さんの園芸日記


あせぼ Instagram Posts Photos And Videos Picuki Com


コンピュータによる旧字旧かな文書作成入門 第六版 Pdf 無料ダウンロード


こころ明朝体 フリーフォント で簡単ロゴ作成


馬酔木の花 座間郷総鎮守 鈴鹿明神社ブログ 社務日記


明朝体フリーフォント片っ端から集めた Alba Luna


好きなフォントの覚書 ヨタ日誌


アセビ 馬酔木 の花とヒヨドリ 雲上の楽園通信


保存版 日本語フリーフォント一覧 イメージつき けいこぶ Com


明朝体比較 Privatter


明朝体比較 Privatter


Nishiki Teki フリーフォントでボタン素材作成


フリーフォントの書体見本とサンプル


第12話 2021年新年御挨拶 蒼井 悠人


Github Paithiov909 Whitespace ネットプリントのソース


日本語あやとり


フリーフォント で簡単ロゴ作成 キーボード画像作成 アイコン はんこ画像作成


コンピュータによる旧字旧かな文書作成入門 第六版 Pdf 無料ダウンロード


Can Someone Recommend To Me Japanese Fonts That Emulate Pre 1950s Book And Newspaper Typefaces Japan


蒼井悠人 Aoiharuto19 Twitter


アセビとは 動植物の人気 最新記事を集めました はてな


あせぼ Instagram Posts Photos And Videos Picuki Com


フリーフォントの書体見本とサンプル


アセビとは 動植物の人気 最新記事を集めました はてな


馬酔木 光ラハでメイドの日とキスの日 女装 裸エプロン等のネタを含みます


明朝体比較 Privatter


Can Someone Recommend To Me Japanese Fonts That Emulate Pre 1950s Book And Newspaper Typefaces Japan


縦書きのwebフォントで文字が右にずれる Issue 3 Metasta Asebi Github


コメント
コメントを投稿